
| |
![]() |
|

标准材质明细表
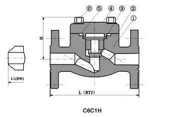
| 序号 | Part Name | CS to ASTM | AS to ASTM | SS to ASTM | |
| Type A105 | Type F22 | Type F304(L) | Type F316(L) | ||
| 1 | 阀体 | A105 | A182 F22 | A182 F304(L) | A182 F316(L) |
| 2 | 阀盖 | A105 | A182 F22 | A182 F304(L) | A182 F316(L) |
| 3 | 阀瓣 | A276 420 | A276 304 | A276 304(L) | A276 316(L) |
| 4 | 铭牌 | SS | |||
| 5 | 垫片 | 316夹柔性石墨 | 316夹PTFE | ||
| 6 | 螺栓 | A193 B7 | A193 B16 | A193 B8 | A193 B8M |
| 适用介质 | 水、蒸汽、油品等 | 水、蒸汽、油品等 | 硝酸、醋酸等 | ||
| 适用温度 | -29℃~425℃ | -29℃~550℃ | -29℃~180℃ | ||
注意:客户需求的其他材质也可采用。密封面料配对由客户指定内件代号决定。
CS=碳钢;AS=合金钢;SS=不锈钢;
尺寸(mm)和重量(kg)
NPS | 1/2" | 3/4" | 1" | 11/4" | 11/2" | 2" | ||
L(RF) | 150Lb | 108 | 117 | 127 | 140 | 165 | 203 | |
300Lb | 152 | 178 | 203 | 216 | 229 | 267 | ||
600Lb | 165 | 190 | 216 | 229 | 241 | 292 | ||
H | 150Lb ~ 300Lb | 61 | 61 | 79 | 95 | 103 | 118 | |
600Lb | 61 | 79 | 95 | 103 | 118 | 135 | ||
重量 | 150Lb | RF | 2.56 | 3.37 | 4.37 | 8.17 | 8.94 | 12.64 |
BW | 1.70 | 190 | 2.10 | 5.12 | 5.50 | 1.89 | ||
300Lb | RF | 2.73 | 3.65 | 4.74 | 8.77 | 9.60 | 13.70 | |
BW | 1.90 | 2.10 | 3.00 | 5.12 | 6.60 | 7.85 | ||
600Lb | RF | 3.00 | 4.00 | 5.83 | 9.47 | 10.10 | 15.6 | |
BW | 2.00 | 3.12 | 4.25 | 7.25 | 8.56 | 13.60 | ||
浙江以法他阀门有限公司专业生产锻钢阀门,锻钢闸阀,锻钢截止阀产品广泛应用于石油、化工、冶金、电力、军工、造纸、及工程配套行业,愿与天下有识之士一起,为中国阀门工业的腾飞和进步做出更大的贡献!