广东夜猫子品茶论坛,逍遥阁qm论坛,北京51龙凤茶楼论坛入口,51论坛官网

欢迎来到浙江以法他阀门有限公司!

网站地图|联系我们

锻钢球阀当前位置:首页锻钢球阀

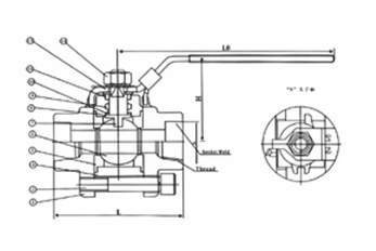
800LB锻钢球阀

发布日期:[2018-08-13]     点击率:
2PC锻钢球阀 800LB锻钢球阀 锻钢球阀Q11F/H

blob.png

球阀设计结构与说明特征

承插端符合 ASME B16.11 Bell end accords with ASME B 16.11

螺栓连接端(NPT)符合ANSI/ASMEB 1.2O.1


锻钢阀门相关资讯

浙江以法他阀门有限公司专业生产锻钢阀门,锻钢闸阀,锻钢截止阀产品广泛应用于石油、化工、冶金、电力、军工、造纸、及工程配套行业,愿与天下有识之士一起,为中国阀门工业的腾飞和进步做出更大的贡献!

锻钢闸阀的注意事项

锻钢阀门的优点和原理

锻钢阀门会出现的问题

其他锻钢阀门知识

上一张:2PC锻钢球阀
下一张:锻钢球阀Q11F/H

产品展示

锻钢阀门
通用阀门
全焊接球阀系列

欢迎您与我们联系

13777712111